一、概述
LXT-150LTP型離心濾油機主要應用在在潤滑油、液壓油、汽輪機透平油、柴油、輕質燃油等礦物油的凈化和澄清處理,用來去除油中的水分、機械雜質及部分有害物質。此機型為自動清渣型分離機,分離效率高,無需拆機即可實現全部排渣,另外根據需求可實現全自動控制,大大降低了操作人員的勞動強度。
本機經精確的動平衡校驗,振動極小,可長時間運行,使用安全可靠。
二、技術及性能參數介紹
額 定 處 理 量: 9000L/h()
轉 鼓 轉 速: 7200 r/min
分 離 因 數: 6950
排 渣 方 式: 自動全部排渣;
向心泵輸出壓力: ≥0.2MPa
振 動 速 度: ≤4.5 mm/s
噪 聲 聲 壓 級: ≤88 dB(A)
加熱器過濾: 9kW(可根據客戶要求設計)
電 機 功 率: 5kW
整 機 重 量: ~650 kg
外 形 尺 寸: 1265mmX645mmX1300mm(長X寬X高)
轉鼓結構原理圖:

各種礦物油的分離條件和實際處理量
油品 | 燃料油 | 潤滑油 | ||||||||||
餾分燃料油 | 殘渣燃料油 | 優質油 | 凈化油 | 汽輪機油 | ||||||||
運動粘度/ (mm2/s) | 1.9~5.5 | 5.5~24 | 60 | 80 | 120 | 180 | 380 | 460 | 600 | 100~120 | 61.2~74.8 | |
40℃ | 50℃ | 40℃ | 40℃ | |||||||||
密度/ (kg/mm3)(20℃) | <900 | 900~991 | 880~900 | <900 | ||||||||
分離溫度/℃ | 20 | 40 | 75 | 80 | 90 | 98 | 80 | 75 | ||||
實際處理量與額定處理量的比值/% | 130 | 100 | 70~75 | 60~65 | 55~60 | 45~50 | 35~40 | 25~30 | 20~25 | 50~60 | 25~30 | 80~85 |
注:實際處理量與額定處理量的百分比數是以額定處理量為100%時的比值 | ||||||||||||
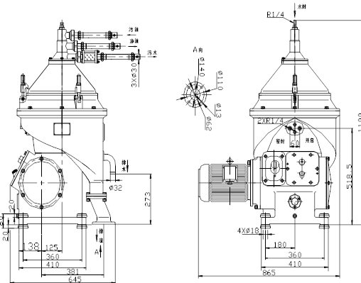
三、外形及安裝尺寸圖

外形及安裝尺寸圖
四、供貨范圍
離心分離機一臺(含電動機);備件一套;專用工具一套;合格證書一份;隨機出廠資料一套(含裝箱清單、操作維護手冊)
根據合同要求,可提供控制箱和其他輔件。

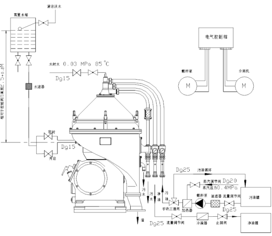
手動操作控制系統圖







